Welcome: Jiangxi Keli Metal Products Co., Ltd
Get a Free Quote
Toggle navigation
NAVIGATION
HOME
ABOUT US
INTRODUCTION
CORPORATE HISTORY
TEAM INTRODUCTION
SUCCESSFUL COOPERATION
PRODUCT CENTER
HANDS ON ROSETTE
HANDS ON BACKPLATE
LOCK BODY
HARDWARE PARTS
CYLINDER
SMART LOCK
CONTACT US
Our factory
Home
>
PRODUCT
>
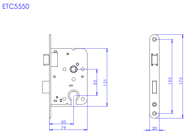
ETC5550
ETC5550
ETC5550
INQUIRY
EMAIL
> PREVIOUS:
ETK5550
> Next:
ETC5555
PRODUCTS RECOMMENDED
PRODUCT
Hands on Rosette
More
Zinc Alloy Door Handles
Stainless Steel Door Handles
Aluminum Door Handles
Iron Door Handles
Zinc Alloy Rose
Stainless Steel Rose
Handles on Backplate
More
Zinc Alloy
Stainless Steel
Aluminum
Iron
Lock Body
More
Latch
Mortise Lock
Sliding Handles
More
Cylinder
More
brass cylinder
Zinc Cylinder
Aluminum Cylinder
Key
Smart Lock
More
Smart Lock
Hard Ware
More
Hinge
Door Stop
Bolt
Share
Call
Menu
Top
online service
13967786741
kelisales@kelilocks.com